131 Prince St, Newton MA  02465-2603 exterior

131 Prince St Newton, MA 02465 / 2603

Residence for Single Family

(UPDATED: 09/23/2025)
  • 6 Beds
  • 3 Baths
  • 5.878 square feet
Property Report

Information about property on 131 Prince St, Newton MA, 02465-2603. Find out owner contacts, building history, price, neighborhood at Homemetry Address Directory.

Property Details

This is a single-family residence, which is situated at 131 Prince St, Newton, MA.

Facts

  • Built in 1895
  • Property use Single Family
  • Lot size 10,067 sqft
  • Effective area 4,580 sqft
  • Gross building area 5,878 sqft
  • Building type Residential
  • Rooms 10
  • Bedrooms 6
  • Bathrooms 3
  • Stories 2,5
  • Exterior condition Average
  • Trim None
  • Foundation type Brick/Fldstone
  • Roof material Asphalt Shingl
  • Fuel type Gas
  • Air conditioning Central
  • Frontage 75 feet
  • Basement area 1,350 sqft
  • Finished basement area 650 sqft
  • Porch area 240 sqft
  • Deck area 70 sqft
  • Detached garage area 418 sqft
  • Heating & Cooling
  • Heat type Steam
  • Exterior Home Features
  • Exterior walls Wood Shingle
  • Roof type Gambrel

Features

  • Kitchen quality: Good
  • Bath quality: Above Average

Householders and Tenants for 131 Prince St, Newton MA

Possible residents contact details

Person Name Phone Number Additional Info
Alexander N Chang
617-905-****
Residential status:
Homeowner
Cindy C Rose
Edmund Chang Age: 67
Job:
Food Preparation and Serving Related Occupations
Eloise W Gardner
Frank H Gardner
Gini Russell Age: 90
239-498-****
James Sylligardos
Job:
Production Occupations
Jeanne Sylligardos Age: 95
Job:
Production Occupations
Laura M Pappano Age: 63
617-332-****
Pam Lynch Age: 65
617-332-****
Raymond M Russell Jr
Susan Sylligardos Age: 65
617-964-****
Job:
Precision Production Occupations
Thomas J Lynch
Virginia S Russell
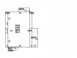
131 Prince St, Newton MA  02465-2603 plot plan 131 Prince St, Newton MA  02465-2603 floor plan 131 Prince St, Newton MA  02465-2603 aerial view

Purchase History

DateEventPriceSourceAgents
07/27/2010 Sold $1,605,000 Public records

Cost estimate history

YearAssessment
2016 $1,638,800
2015 $1,531,600
2014 $1,452,200
2013 $1,452,200
2012 $1,452,200
2011 $1,423,000
2010 $1,267,700
2009 $1,184,700
2008 $1,184,700
2007 $1,222,200
2006$1,186,600
2005$1,130,100
2004$1,027,300
2003$895,200
2002$895,200
2001$742,400
2000$678,000
1999$616,900
1998$528,600
1997$503,400
1996$479,400
1995$440,800
1994$440,800
1993$440,800
1992$464,800

Where is 131 Prince St, Newton MA located on map?

Building Permits

To date, we have no information about building permits in 2025
Dec 31, 2014
Description: Installation of (14) roof mounted solar electric panels. no structural upgrade required
  • Valuation: $1,157,100
  • Fee: $215.22 paid to City of Newton, Massachusetts
  • Parcel #: 32029 0008
  • Permit #: 14120773
Aug 30, 2010
Description: Repair & replace exstg siding on house
  • Valuation: $450,000
  • Fee: $83.70 paid to City of Newton, Massachusetts
  • Parcel #: 32029 0008
  • Permit #: 10080612
Jul 16, 2008
Description: Reno kitchen, update basement to include laundry room, enlarge back deck
  • Valuation: $10,000,000
  • Fee: $1,860.00 paid to City of Newton, Massachusetts
  • Parcel #: 32029 0008
  • Permit #: 08070468

Prince St Fire Incident History

To date, we have no information about fire incidents in 2025
15 Aug 2015 Building fires
Property Use —
1 or 2 family dwelling
Area of Origin —
Exterior balcony, unenclosed porch
First Ignition —
Exterior trim, including doors
Heat Source —
Lightning
10 Jun 2010 Cooking fire, confined to container
Property Use —
1 or 2 family dwelling
Area of Origin —
Cooking area, kitchen
First Ignition —
Cooking materials, including edible materials
Heat Source —
Heat from powered equipment, other
08 Jan 2008 Cooking fire, confined to container
Property Use —
1 or 2 family dwelling
Area of Origin —
Cooking area, kitchen
First Ignition —
Item First Ignited, Other
Heat Source —
Heat from powered equipment, other

Prince St Incidents registered in FEMA
(Federal Emergency Management Agency)

To date, we have no information about incidents registered in FEMA in 2025
15 Aug 2015 Building fires
Property Use —
1 or 2 family dwelling
12 Mar 2015 Gas leak (natural gas or LPG)
Property Use —
Residential street, road or residential driveway
28 Feb 2015 Gas leak (natural gas or LPG)
Property Use —
Residential street, road or residential driveway
10 Mar 2010 Gas leak (natural gas or LPG)
Property Use —
Residential street, road or residential driveway

View more

Properties Nearby

Street AddressResidens/Landlords
 

FAQ about the house at 131 Prince St, Newton, MA


NOTICE: You may not use RadioAwards or the information it provides to make decisions about employment, credit, housing or any other purpose that would require Fair Credit Reporting Act (FCRA) compliance. RadioAwards is not a Consumer Reporting Agency (CRA) as defined by the FCRA and does not provide consumer reports.